18. “嘀、嘀、……”报警声
1. 实验任务
用AT89S51单片机产生“嘀、嘀、…”报警声从P1.0端口输出,产生频率为1KHz,根据上面图可知:1KHZ方波从P1.0输出0.2秒,接着0.2秒从P1.0输出电平信号,如此循环下去,就形成我们所需的报警声了。
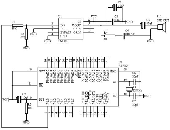
2. 电路原理图
图4.18.1
3. 系统板硬件连线
(1. 把“单片机系统”区域中的P1.0端口用导线连接到“音频放大模块”区域中的SPK IN端口上,
(2. 在“音频放大模块”区域中的SPK OUT端口上接上一个8欧或者是16欧的喇叭;
4. 程序设计方法
(1.生活中我们常常到各种各样的报警声,例如“嘀、嘀、…”就是常见的一种声音报警声,但对于这种报警声,嘀0.2秒钟,然后断0.2秒钟,如此循环下去,假设嘀声的频率为1KHz,则报警声时序图如下图所示:
上述波形信号如何用单片机来产生呢?
(2. 由于要产生上面的信号,我们把上面的信号分成两部分,一部分为1KHZ方波,占用时间为0.2秒;另一部分为电平,也是占用0.2秒;因此,我们利用单片机的定时/计数器T0作为定时,可以定时0.2秒;同时,也要用单片机产生1KHZ的方波,对于1KHZ的方波信号周期为1ms,高电平占用0.5ms,低电平占用0.5ms,因此也采用定时器T0来完成0.5ms的定时;最后,可以选定定时/计数器T0的定时时间为0.5ms,而要定时0.2秒则是0.5ms的400倍,也就是说以0.5ms定时400次就达到0.2秒的定时时间了。
5. 程序框图
主程序框图
中断服务程序框图
图4.18.2
6. 汇编源程序
T02SA EQU 30H
T02SB EQU 31H
FLAG BIT 00H
ORG 00H
LJMP START
ORG 0BH
LJMP INT_T0
START: MOV T02SA,#00H
MOV T02SB,#00H
CLR FLAG
MOV TMOD,#01H
MOV TH0,#(65536-500) / 256
MOV TL0,#(65536-500) MOD 256
SETB TR0
SETB ET0
SETB EA
SJMP $
INT_T0:
MOV TH0,#(65536-500) / 256
MOV TL0,#(65536-500) MOD 256
INC T02SA
MOV A,T02SA
CJNE A,#100,NEXT
INC T02SB
MOV A,T02SB
CJNE A,#04H,NEXT
MOV T02SA,#00H
MOV T02SB,#00H
CPL FLAG
NEXT: JB FLAG,DONE
CPL P1.0
DONE: RETI
END
7. C语言源程序
#include <AT89X51.H>
unsigned int t02s;
unsigned char t05ms;
bit flag;
void main(void)
{
TMOD=0x01;
TH0=(65536-500)/256;
TL0=(65536-500)%256;
TR0=1;
ET0=1;
EA=1;
while(1);
}
void t0(void) interrupt 1 using 0
{
TH0=(65536-500)/256;
TL0=(65536-500)%256;
t02s++;
if(t02s==400)
{
t02s=0;
flag=~flag;
}
if(flag==0)
{
P1_0=~P1_0;
}
}