| 注意:访问本站需要Cookie和JavaScript支持!请设置您的浏览器! • 打开购物车 • 查看留言 • 付款方式 • 联系我们 |
![]() |
| 首页 | 电子入门 | 学单片机 | 免费资源 | 下载中心 | 商品列表 | 象棋在线 | 在线绘图 | 加盟五一 | 加入收藏 | 设为首页 |
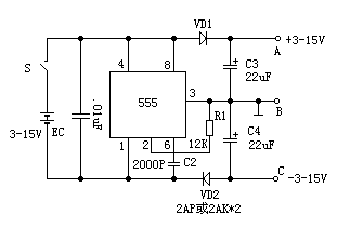
| 选择分类:当前分类——小说笑话 相关联或者相类似的文章: 23年前,有个年轻的女子~~~~(2191) MY8848网站销声匿迹 消费者(1196) 有地下王国吗?(1182) 七仙女离婚(1127) 电容器的参数与分类(1126) TL431特性及应用(1074) 地球的黑洞-百幕大三角区(1069) 录取通知书迟一年 家长和学校各执(1018) 三途河之鬼——人类真任性(1014) 白女孩(997) 优胜劣汰的用人原则(989) 何为天堂(987) 知识能否改变命运?(978) 求△V特性镍氢电池充电单元电路图(974) 深圳美的惊世绝仑(967) 做一个可爱的人(958) 无聊的笑话~~!!!(945) 三极管的开关作用(924) 简易FM无线话筒!装好的成品板(921) 考考你的眼睛——请找出那个轮子在(920) 首页 前页 后页 尾页 本站推荐: | 单电源变双电源电 ++ 单电源变双电源电路 ++ 附图电路中,时基电路555接成无稳态电路,3脚输出频率为20KHz、占空比为1:1的方波。3脚为高电平时,C4被充电;低电平时,C3被充电。由于VD1、VD2的存在,C3、C4在电路中只充电不放电,充电最大值为EC,将B端接地,在A、C两端就得到+/-EC的双电源。本电路输出电流超过50mA。 ![]() 1、 本站不保证以上观点正确,就算是本站原创作品,本站也不保证内容正确。 2、如果您拥有本文版权,并且不想在本站转载,请书面通知本站立即删除并且向您公开道歉! |
|
本站协议 |
版权信息 |
关于我们 |
本站地图 |
营业执照 |
发票说明 |
付款方式 |
联系方式
深圳市宝安区西乡五壹电子商行——粤ICP备16073394号-1;地址:深圳西乡河西四坊183号;邮编:518102 E-mail:51dz$163.com($改为@);Tel:(0755)27947428 工作时间:9:30-12:00和13:30-17:30和18:30-20:30,无人接听时可以再打手机13537585389 |