注意:访问本站需要Cookie和JavaScript支持!请设置您的浏览器! 打开购物车 查看留言付款方式联系我们
初中电子 单片机教材一 单片机教材二
搜索上次看见的商品或文章:
商品名、介绍 文章名、内容
首页 电子入门 学单片机 免费资源 下载中心 商品列表 象棋在线 在线绘图 加盟五一 加入收藏 设为首页
本站推荐:
常用电机与控制—步进电机
文章长度[9310] 加入时间[2007/3/18] 更新时间[2026/3/26 15:42:37] 级别[0] [评论] [收藏]

  随着生产过程机械化、电气化和自动化的不断发展,出现了各种类型的特种电动机。这些电动机的工作原理,一般与普通的异步电动机和直流电动机的基本原理近似,但是它们在性能、结构、生产工艺上各有其特殊性,多用于自动控制过程中。一般来说,这些电动机的功率不大,小的只有几分之一瓦,大的也不过几十瓦或几百瓦,属于微型电动机的范围。

步进电动机
  
一般电动机都是连续旋转,而步进电动却是一步一步转动的,故叫步进电动机。每输入一个冲信号,该电动机就转过一定的角度(有的步进电动机可以直接输出线位移,称为直线电动机)。因此步进电动机是一种把脉冲变为角度位移(或直线位移)的执行元件。

  步进电动机的转子为多极分布,定子上嵌有多相星形连接的控制绕组,由专门电源输入电脉冲信号,每输入一个脉冲信号,步进电动机的转子就前进一步。由于输入的是脉冲信号,输出的角位移是断续的,所以又称为脉冲电动机。

  随着数字控制系统的发展,步进电动机的应用将逐渐扩大。

  步进电动机的种类很多,按结构可分为反应式和激励式两种;按相数分则可分为单相、两相和多相三种。

图1 反应式步进电动机的结构示意图

  图1是反应式步进电动机结构示意图,它的定子具有均匀分布的六个磁极,磁极上绕有绕组。两个相对的磁极组成一组,联法如图所示。

  下面介绍反应式步进电动机单三拍、六拍及双三拍通电方式的基本原理。

一、单三拍通电方式的基本原理
  
设A相首先通电(B、C两相不通电),产生A-A′轴线方向的磁通,并通过转子形成闭合回路。这时A、A′极就成为电磁铁的N、S极。在磁场的作用下,转子总是力图转到磁阻最小的位置,也就是要转到转子的齿对齐A、A′极的位置(图2a);接着B相通电(A、C两相不通电),转了便顺时针方向转过30°,它的齿和C、C′极对齐(图2c)。不难理解,当脉冲信号一个一个发来时,如果按A→C→B→A→…的顺序通电,则电机转子便逆时针方向转动。这种通电方式称为单三拍方式。

图2 单三拍通电方式时转子的位置

二、六拍通电方式的基本原理
  设A相首先通电,转子齿与定子A、A′对齐(图3a)。然后在A相继续通电的情况下接通B相。这时定子B、B′极对转子齿2、4产生磁拉力,使转子顺时针方向转动,但是A、A′极继续拉住齿1、3,因此,转子转到两个磁拉力平衡为止。这时转子的位置如图3b所示,即转子从图(a)位置顺时针转过了15°。接着A相断电,B相继续通电。这时转子齿2、4和定子B、B′极对齐(图c),转子从图(b)的位置又转过了15°。其位置如图3d所示。这样,如果按A→A、B→B→B、C→C→C、A→A…的顺序轮流通电,则转子便顺时针方向一步一步地转动,步距角15°。电流换接六次,磁场旋转一周,转子前进了一个齿距角。如果按A→A、C→C→C、B→B→B、A→A…的顺序通电,则电机转子逆时针方向转动。这种通电方式称为六拍方式。

a.A相通电 b.A、B相通电 c.B相通电 d.B、C相通电
图3 六拍通电时转子位置

三、双三拍通电方式的基本原理
  
如果每次都是两相通电,即按A、B→B、C→C、A→A、B→…的顺序通电,则称为双三拍方式,从图3b,和图3d可见,步距角也是30°。因此,采用单三拍和双三拍方式时转子走三步前进了一个齿距角,每走一步前进了三分之一齿距角;采用六拍方式时,转子走六步前进了一个齿距角,每走一步前进了六分之一齿距角。因此步距角θ可用下式计算:

θ=360°/Zr×m

  式中Zr是转子齿数;m是运行拍数。

  一般步进电动机最常见的步距角是3°或1.5°。由上式可知,转子上不只4个齿(齿距角90°),而有40个齿(齿距角为9°)。为了使转子齿与定子齿对齐,两者的齿宽和齿距必须相等。因此,定子上除了6个极以外,在每个极面上还有5个和转子齿一样的小齿。步进电动机的结构图如图4所示。

图4 三相反应式步进电动机的结构图

  由上面介绍可知,步进电动机具有结构简单、维护方便、精确度高、起动灵敏、停车准确等性能。此外,步进电动机的转速决定于电脉冲频率,并与频率同步。

四、步进电动机的驱动电源
  步进电动机需配置一个专用的电源供电,电源的作用是让电动机的控制绕组按照特定的顺序通电,即受输入的电脉冲控制而动作,这个专用电源称为驱动电源。步进电动机及其驱动电源是一个互相联系的整体,步进电动机的运行性能是由电动机和驱动电源两者配合所形成的综合效果。

1、对驱动电源的基本要求

(1)驱动电源的相数、通电方式和电压、电流都工满足步进电动机的需要;

(2)要满足步进电动机的起动频率和运行频率的要求;

(3)能最大限度地抑制步进电动机的振荡;

(4)工作可靠,抗干扰能力强;

(5)成本低、效率高、安装和维护方便。

2、驱动电源的组成
  
步进电动机的驱动电源基本上由脉冲发生器、脉冲分配器和脉冲放大器(也称功率放大器)三部分组成,如图5所示。

图5 步进电动机驱动电源的方框图
  (1)脉冲发生器
    脉冲发生器是一个脉冲频率由几赫到几十千赫可连续变化的脉冲信号发生器。脉冲发生器可以采用多种线路,最常见的有多谐振荡器和单结晶体管构成的张弛振荡器两种,它们都是通过调节电阻R和电容C的大小来改变电容器充放电的时间常数,以达到改变脉冲信号频率的目的。图6是两种实用的多谐振荡电路,它们分别由反相器和非门构成,振荡频率由RC决定,改变R值即可改变脉冲频率。
点击看大图
图6 脉冲发生器实用电器(点击看大图)

  (2)脉冲分配器

    脉冲分配器中由门电路和双稳态触发器组成的逻辑电路,它根据指令把脉冲信号按一定的逻辑关系加在脉冲放大器上,使步进电动机按确定的运行方式工作。下面着重介绍CH250环形脉冲分配器。

    CH250环形脉冲分配器是三相步进电动机的理想脉冲分配器,通过其控制端的不同接法可以组成三相双三拍和三相六拍的不同工作方式,如图7、图8所示。

图7 CH250三相双三拍接法

图8 CH250三相六拍接法

    J3r、J3L两端子是三相双三拍的控制端,J6r、J6L是三相六拍的控制端,三相双三拍工作时,若J3r=“1”,而J3L=“0”,则电机正转;若J3r=“0”,J3L=“1”,则电机反转;三相六拍供电时,若J6r=“1”,J6L=“0”,则电机正转;若J6r=“0”,J6L=“1”,电机反转。R2是双三拍的复位端,R1是六拍的复位端,使用时,首先将其对应复位端接入高电平,使其进入工作状态,然后换接到工作位置。CL端是时钟脉冲输入端,EN是时钟脉冲允许端,用以控制时钟脉冲的允许与否。当脉冲CP由CL端输入,只有EN端为高电平时,时钟脉冲的上升沿才起作用。CH250也允许以EN端作脉冲CP的输入端,此时,只有CL为低电平时,时钟脉冲的下降沿才起作用。A0、B0、C0为环形分配器的三个输出端,经过脉冲放大器(功率放大器)后分别接到步进电动机的三相线上。

    CH250环形脉冲分配器的功能关系如表1所列。

工作方式
CL
EN
J3r
J3L
J3r
J3L
六拍
正转
反转
0
0
0
0
0
0
1
0
0
1
双三拍
正转
反转
0
0
1
0
0
1
0
0
0
0
六拍
正转
反转
1
1
0
0
0
0

1
0

0
1
双三拍
正转
反转
1
1
1
0
0
1
0
0

0
0

  (3)脉冲放大器(功率放大器)
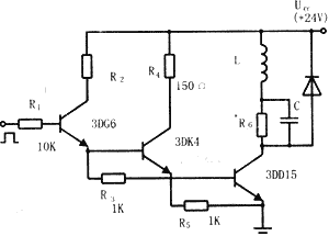
    由于脉冲分配器输出端A0、B0、C0的输出电流很小,如CH250脉冲分配器的输出电流大约为200-400μA,而步进电动机的驱动电流较大,如75BF001型步进电动机每相静态电流为3A,为了满足驱动要求,脉冲分配器输出的脉冲需经脉冲放大器(即功率放大器)后才能驱动步进电机。图9是一个实用的脉冲放大电路,图中使用三级晶体管放大,第一级用3DG6小功率管,第二级用3DK4中功率管,第三级用3DD15大功率管,R6为步进电动机限流电阻,随所配电机不同而异。

图9 脉冲放大器实用电路

图10 高低压切换驱动电源的原理图

    图9所示电路是单电压型驱动电源,它的特点是:线路简单,电阻R6与控制绕组串联后,可以减小回路的时间常数;但是由于R6上要消耗功率,使电源的效率降低,用这种电源供电的步进电动机的起动和运行频率都不会太高。为了提高电源效率及工作频率,可采用高、低压切换型电源,其原理如图10所示。高压供电是用来加速电流的增长速度,而低压是用来维持稳定的电流值。低压电源中串联一个数值较小的电阻,其目的是为了调节控制绕组的电流,使各相电流平衡。

1、 本站不保证以上观点正确,就算是本站原创作品,本站也不保证内容正确。
2、如果您拥有本文版权,并且不想在本站转载,请书面通知本站立即删除并且向您公开道歉! 以上可能是本站收集或者转载的文章,本站可能没有文章中的元件或产品,如果您需要类似的商品请 点这里查看商品列表!
本站协议 | 版权信息 |  关于我们 |  本站地图 |  营业执照 |  发票说明 |  付款方式 |  联系方式
深圳市宝安区西乡五壹电子商行——粤ICP备16073394号-1;地址:深圳西乡河西四坊183号;邮编:518102
E-mail:51dz$163.com($改为@);Tel:(0755)27947428
工作时间:9:30-12:00和13:30-17:30和18:30-20:30,无人接听时可以再打手机13537585389