注意:访问本站需要Cookie和JavaScript支持!请设置您的浏览器! 打开购物车 查看留言付款方式联系我们
初中电子 单片机教材一 单片机教材二
搜索上次看见的商品或文章:
商品名、介绍 文章名、内容
首页 电子入门 学单片机 免费资源 下载中心 商品列表 象棋在线 在线绘图 加盟五一 加入收藏 设为首页
本站推荐:
射极耦合双稳态电路
文章长度[5737] 加入时间[2006/7/1] 更新时间[2026/5/20 0:05:22] 级别[3] [评论] [收藏]

射极耦合双稳态电路
一、工作原理
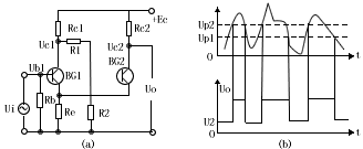
图一为射极耦合电路。它也是由两级反相器组成的正反馈电路,第一级到第二级采用集基耦合,第二级到第一级是通过射极电阻Re耦合。通常用射极耦合双稳态电路做整形电路,脉冲幅度甄别电路,示波器用它做闸门信号源等,它依靠输入幅度进行转态。
工作原理:设输入ui如图一(b)示,当ui=0时,电路处于BG1截止,BG2导通的稳定状态。这时输出电压为:uo=u2=Ec-(ue2/Re)Rc2
当ui=up2=uc2+0.5伏(硅管由截止进入放大的阀门电压),称up2为动作电压,则电路在ui作用下,产生下述正反馈过程:
这种雪崩式反应,瞬间使BG1导通,BG2截止。因ic1>ic2,所以当ui回到Up2值时,电路仍不转变,只有当ui=up1(释放电平)时,由于BG1退出饱和,又产生下述正反馈过程:
瞬间使BG1截止、BG2导通,以后就按上述过程周而复始进行,所以把幅度不规则的输入波形整形为等幅的矩形波。两次翻转电平不相等的现象,称为回差现象,回差量≈up2-up1。回差量是否需要量多少?应由具全情况而定。
回差的影响与回差的调?lt;BR>如果输入信号有干扰,则用回差量排除干扰。图2(a)(b)中给出回差合适与不合适所得到的波形uo″和uo′。由图可见,当回差合适时,输出uo″为方波电压;反之,当回差不合适时,输出uo′ 或受干扰影响[如图2(a),或者uo′只变化一次就固定在某一电平上(如图2(b)也就是说电平不起到整形的作用
调整回差量的方法如下:
(1)增大Rc1,可使回差量增加。或调节Rc1/(R1+R2)之比值,比值越小,回差量越小。
(2)如图2(C)电路加入RE1可使UP1增加,从而使回差减小;或如图2(d)电路加入RE2,可使Ic2减小从而使Up2减小,缩小回差。但这种方法会削弱正反馈作用而降低翻转速度,如在RE1或RE2并联一只小电容,就可避免这种影响。

图1射极耦合双稳态电路

图2、回差的影响
二、射极耦合双稳态电路的设计
射极耦合双稳态电路的设计见表一
表一 射极耦合双稳态电路的设计
要求 (1)输出幅度Um>6V
(2)工作频率f=100kHz
(3)触发器用作整形电路,负载射极跟随器
步骤 计算公式 计算实例(图3)
选择晶体管 从要求的工作频率或输出脉冲前沿特性考虑 因要求输出脉冲前沿特性好,故选用3DK2,βmin=30
确定RC值 为提高稳定性,晶体管应工作于饱和状态,则Ic取
Ic=[(1/3)-(1/2)]Icm
Rc=(Ec-Uomin)/Ic
∵用于整形电路,主要考虑工作稳定性,故选
Ic=1/3Icm=1/3×30=10mA
Ec选用系列稳定电源值为12V,设输出最低电平Uomin=3V
∴Rc=(12-3)/(10×10)=900Ω
计算RB,RK

为使BG2可靠地饱和,RB应选得较大,通常取IRB=(0.2-1)I


但是为了减小回差,BG2导通时,应工作于线性放大区,应取IRB=(5-10)Ib2
Ib2min=Ic2/βmin,取2Ib2min为实际基极电流,根据公式:
RB=(UE2+Ubes)/IRB及Rk=[(EC-Ube)/(IRB+Ib2)]-RC

主要考虑工作稳定性,令BG2工作于饱和状态,故选IRB=0.5Ib2
Ib2min=10/30=0.33mA,Ib2=2×0.33=0.66mA
IR=0.5×0.66=0.33mA
RB=(UE2+Ubes)/IRb=(2.7+0.7)/0.33=10.3k
现选RB=12k
∴Rk=[(12-3.4)/(0.33+0.66)]-1=7.7k
现选Rk=7.5K
选择R1、R2 为了能连续调节触发电平大小,BG1的基极应接入外偏电压,为使BG1工作于饱和状态,流过R1、R2电流要小些 现选R1=3K,R2=1K,C1=1μF,(R1、R2的具体设计算可参看晶体管分压器的偏置电路)计算结果标在图3电路上


图3、射极耦合双稳态的设计电路
1、 本站不保证以上观点正确,就算是本站原创作品,本站也不保证内容正确。
2、如果您拥有本文版权,并且不想在本站转载,请书面通知本站立即删除并且向您公开道歉! 以上可能是本站收集或者转载的文章,本站可能没有文章中的元件或产品,如果您需要类似的商品请 点这里查看商品列表!
本站协议 | 版权信息 |  关于我们 |  本站地图 |  营业执照 |  发票说明 |  付款方式 |  联系方式
深圳市宝安区西乡五壹电子商行——粤ICP备16073394号-1;地址:深圳西乡河西四坊183号;邮编:518102
E-mail:51dz$163.com($改为@);Tel:(0755)27947428
工作时间:9:30-12:00和13:30-17:30和18:30-20:30,无人接听时可以再打手机13537585389