注意:访问本站需要Cookie和JavaScript支持!请设置您的浏览器! 打开购物车 查看留言付款方式联系我们
初中电子 单片机教材一 单片机教材二
搜索上次看见的商品或文章:
商品名、介绍 文章名、内容
首页 电子入门 学单片机 免费资源 下载中心 商品列表 象棋在线 在线绘图 加盟五一 加入收藏 设为首页
本站推荐:
小调频发射器电路 回复
文章长度[11616] 加入时间[2006/8/20] 更新时间[2026/5/16 17:49:00] 级别[3] [评论] [收藏]
频发射器电路

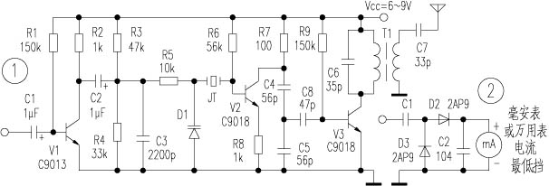
别看这个电路简单,它在开阔地带能发射一公里呢。优点是简单,变容管调制稳定。由于不是频合,只是业余用。501可以用D-40代替。
按此在新窗口浏览图片

首先声明:搞无线电研究可不要违犯国家的《无线电管理条例和有关规定》,(1)频率不能乱用。(2)功率要在规定的范围内。
  Re:业余小小调频发射电路欣赏

BA1404是一个调频立体发射专用电路,振荡电路仍是LC电路。这是一个典型的应用电路,原理自己看吧。
按此在新窗口浏览图片

 


Re:业余小小调频发射电路欣赏

一个小小的调幅发射机,电路一看就明白。
按此在新窗口浏览图片

 

按此在新窗口浏览图片

Re:业余小小调频发射电路欣赏 小小新式的调频发射
新型调频发射芯片MAX2606MAX2606是新型调频发射芯片,内部集成了变容二极管的压控振荡器,只需要外接少量的元件就能组成一台高品质调频发射机。

MAX2606采用SOT230-6微型封装,应用电路如图所示,它的平均频率由L1设置,390nH的电感可将中心频率设定在100MHz。调节电位器RP1则可以在88至108MHz的FM波段选择一个频道作为发射输出功率。输出功率对50Ω的天线约为-21dB。

图中的两个INPUT端接在功放机左右线路(LINE)输出端,左右声道音频信号均通过22kΩ相加,并被电位器RP1衰减后,由①脚送入MAX2606的内部振荡电路,经过调制后的射频信号从⑥脚输出到发射天线,由于输入信号幅度高于60mV时将产生失真,因此使用电位器RP2将信号衰减到该电平以下。

发射天线可以用一段75cm的电线充当。此时发射距离约为50米。为保证最佳接收效果,它最好与接收天线平行安装。

MAX2606可工作于3至5V的单电源,但最好采用稳定的电压,尤其是0.01uF的退耦电容不能省略,以减少频率漂移和噪声。

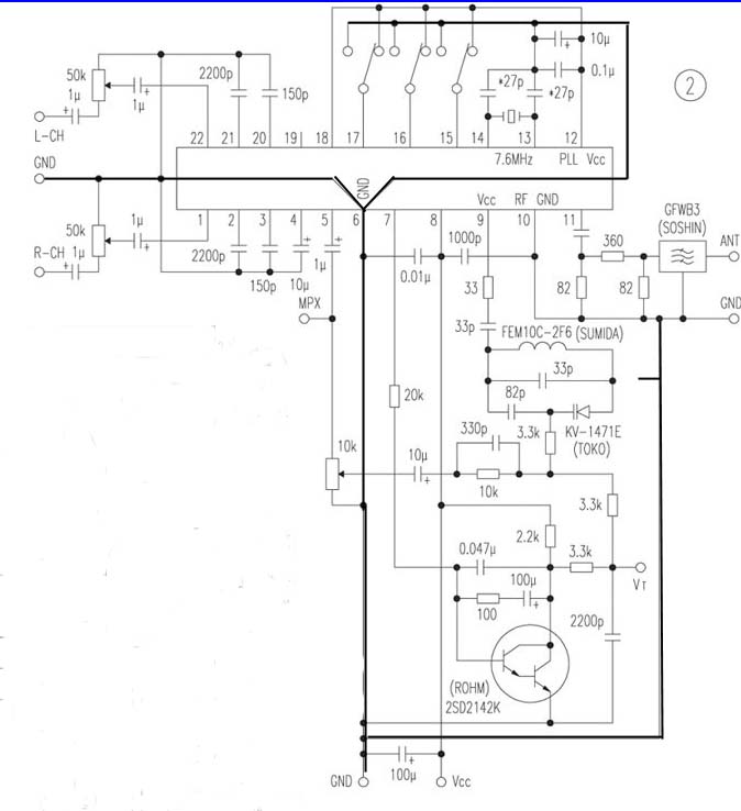
业余小小调频发射电路欣赏 BA1404

Re:业余小小调频发射电路欣赏

 按此在新窗口浏览图片

按此在新窗口浏览图片

Re:业余小小调频发射电路欣赏

按此在新窗口浏览图片


Re:业余小小调频发射电路欣赏

 按此在新窗口浏览图片
Re:业余小小调频发射电路欣赏 这些图都不错,我对这个还是有点知道的。现实中很多的电路看起来都是很好的,但就是难以应用上能否有成品。
提供38KHZ晶振 38KHZ晶振如需求购者请先邮件与我联系

  Re:业余小小调频发射电路欣赏

按此在新窗口浏览图片
Re:业余小小调频发射电路欣赏 如有需用下列模块的用户,请与我联系。距离100米,频率70-100mc,任选。零售价格30元,加邮寄费。
电话:0533-8966986

按此在新窗口浏览图片

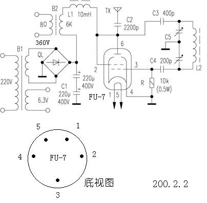
Re:业余小小调频发射电路欣赏 25W简易强放发射机(摘自1993年电子报合订本下)
B1:200W 初级220V 次级360V
B2:30W 初级6K 次级8 (可选用电子管收音机的输出变压器)
L1选用∮0.22mm的漆包线在MX-2000的磁环上绕100匝。L2决定电台的发射频率。如果频率选在中波波段时,L2可选用∮0.35mm的漆包线在中波磁棒上绕70匝,或选用∮0.12mm的漆包线在∮25mm的纸筒上密绕90匝。这样发射频率会落在550-1650KHz之间。如果选用短波波段时,L2可用∮0.5mm的漆包线在∮16mm的纸筒上间绕9匝。这样构成的振荡器频率就落在6~18MHz之间。C5为空气双联,其容量为360PX2。B1为原机电源变压器。高压部分整流用4只1N5408。C2 C3 C4为耐压600V的云母电容,R可选用水泥电阻。因耗散功率较大,其功率选≥1W。TX为λ/4天线,可用一段粗导线代替,长度约为发射波长的1/4。
整个电路安装无需使用敷铜板,直接用一块胶木板,在其上钻孔,搭棚焊接即可,或尽可能焊在管脚上。多半只要元件良好,装好后电路即会起振,起振时电子管内能看到浅蓝色的电子流,并伴有“咝咝”的声音。
天线可通过绝缘子垂直安装在墙上。接上天线后在B2处输入5W左右的音频信号,将一个收音机和发射机的距离拉远,收音机应能清晰地收到信号,失真度也不应很明显。若发射时交流声太大,接地便能解决。经实测,发射功率有25W之大,所以实验时务必遵守国家无委会的有关规定。

与此主题相关的附件(大小:21 K)

按此在新窗口浏览图片

 按此在新窗口浏览图片

Re:业余小小调频发射电路欣赏

 按此在新窗口浏览图片

按此在新窗口浏览图片

 

按此在新窗口浏览图片

 

按此在新窗口浏览图片

 

按此在新窗口浏览图片

  Re:业余小小调频发射电路欣赏 我想买2N3866,不知哪里有卖的?

Re:业余小小调频发射电路欣赏 您好:
我对您的产品非常感兴趣,请问有没有体积小在楼区内有效距离在300-500米的产品?有没有专 


 

我想买2N3866,不知哪里有卖的?

 
[ 发表时间:2004-4-1 17:49:56 ] 您好:
我对您的产品非常感兴趣,请问有没有体积小在楼区内有效距离在300-500米的产品?有没有专用接受机?价格多少?  我长期求购!!!
售晶体管:1W高频晶体管,用于FM发射,每只5元。

 好啊
  1W高频晶体管,用于FM发射,每只5元。在哪买啊
有哪位兄弟知道2SC3357三极管的参数,请告之谢谢

2SC3357是个很好用的晶体管,catv放大器模块大量使用此晶体管,用于发射推动效果很好。它的参数 f=1GHz,PT=1.2W, Ic=100mA, Vceo=12V, Vcbo=20V, Vceb=3V, Tj=150度。价格低于1.00元。

各位大哥:帮小弟一个忙,谁有调频发射芯片完整电路图MAX2606或者DMD5602完整的技术资料,急用,太谢谢您了
新兄弟我来了!
 

以上电路图都可以,遗憾的是都没有附上印刷板电路图!!


用了MAX2606做的发射机,音源开打时,接受效果很差,有好大的噪音,那位大虾可有好的办法介绍一个,在这里我先谢谢了!

你好!你说有杂音,我认为你的接收频率不对,可能在谐波上面了。我试验的效果和好。


 

发射三极管2SC1970是不是很贵,好象要9元一支是不是?
[ 此留言被 工程师 修改过 ]
正品的1970差不多9元 都说D-40晶体管的来路是个骗局,D-40晶体管是功率大一点,放大倍数高一点的普通高频晶体管有人把上面的字涂了又换上的D-40。普通晶体管只有几角钱,而D-40高达几元。其实用2053,1970等管子效果就很好。
本研究所为学校提供各种调频、调幅发射、接收套件和原理图及PCB图。欢迎联系。
TEL:0533-8966986
各位大哥:
  小弟我想做调频发射机,望各位有资料的不吝赐教啊,把资料发到我的邮箱,万分感谢啊
哪位有调制电路的资料,要求频率可调,稳定实用,可以驳接丙类功放
本站可以提供38khz晶振http://eldiy.nease.net
呵呵
  大家好啊,很高兴啊,我最近做了一个小发射机,效果很好的,只是距离不很远,想知道怎么加大距离啊。
祝贺你实验成功。要增加距离,首先要加大功率,改用室外天线,提高天线高度。不知你的功率是多少,使用的什么电路。加大发射功率的方法很多,(1)提高工作电压,视末极管子的电压而定。(2)增加高频功放。在不需要带宽宽的情况下,尽量减小末极的带宽,提高增益。
有那位大哥知道低频长波发射电路及衰减计算工式?谢谢了!

Re:功率放大电路 我现在急需高频315M的功率放大器,不知那位高手可以提供呢!急...急!

如有请QQ联系:68613965
315MHz是一个公用频率,一般是不准随便家大发射功率的要求要限制在以下。
 加大功率可参考300MHZz的移动电台图纸。

 
各位大虾,谁有D-60的发射三极管,我急需2个,请与电话13209318434或09313879398联系

这位大侠,请问如何才能增加1417的发射距离呢?谢了!
Re:小调频发射器电路 这些电路都很一般,怎么就没看到用晶振稳频的呢?文字

返回列表

[ 发表时间:2005-2-17 18:35:28 ] bh1417bh1417加一个高频功放就能发射很远,本人也爱好,但在重庆不知在那

[ 发表时间:2004


售晶体管:1W高频晶体管,用于FM发射,每只5元。

按此在新窗口浏览图片

按此在新窗口浏览图片

 

 

按此在新窗口浏览图片

 

按此在新窗口浏览图片

 

按此在新窗口浏览图片

 

按此在新窗口浏览图片

   按此在新窗口浏览图片
有哪位兄弟知道2SC3357三极管的参数,请告之谢谢

2SC3357是个很好用的晶体管,catv放大器模块大量使用此晶体管,用于发射推动效果很好。它的参数 f=1GHz,PT=1.2W, Ic=100mA, Vceo=12V, Vcbo=20V, Vceb=3V, Tj=150度。价格低于1.00元。

Re:业余小小调频发射电路欣赏 各位大哥:帮小弟一个忙,谁有调频发射芯片完整电路图MAX2606或者DMD5602完整的技术资料,急用,太谢谢您了
Re:业余小小调频发射电路欣赏 新兄弟我来了!
 

以上电路图都可以,遗憾的是都没有附上印刷板电路图!!


用了MAX2606做的发射机,音源开打时,接受效果很差,有好大的噪音,那位大虾可有好的办法介绍一个,在这里我先谢谢了!

你好!你说有杂音,我认为你的接收频率不对,可能在谐波上面了。我试验的效果和好。


 

发射三极管2SC1970是不是很贵,好象要9元一支是不是?
[ 此留言被 工程师 修改过 ]
正品的1970差不多9元 都说D-40晶体管的来路是个骗局 都说D-40晶体管的来路是个骗局,D-40晶体管是功率大一点,放大倍数高一点的普通高频晶体管有人把上面的字涂了又换上的D-40。普通晶体管只有几角钱,而D-40高达几元。其实用2053,1970等管子效果就很好。

Re:小调频发射器电路

本研究所为学校提供各种调频、调幅发射、接收套件和原理图及PCB图。欢迎联系。
TEL:0533-8966986
Re:小调频发射器电路 哪位有调制电路的资料,要求频率可调,稳定实用,可以驳接丙类功放
本站可以提供38khz晶振http://eldiy.nease.net
呵呵
  大家好啊,很高兴啊,我最近做了一个小发射机,效果很好的,只是距离不很远,想知道怎么加大距离啊。
祝贺你实验成功。要增加距离,首先要加大功率,改用室外天线,提高天线高度。不知你的功率是多少,使用的什么电路。加大发射功率的方法很多,(1)提高工作电压,视末极管子的电压而定。(2)增加高频功放。在不需要带宽宽的情况下,尽量减小末极的带宽,提高增益。
有那位大哥知道低频长波发射电路及衰减计算工式?谢谢了!
我现在急需高频315M的功率放大器,不知那位高手可以提供呢!急...急!

如有请QQ联系:68613965
315MHz是一个公用频率,一般是不准随便家大发射功率的要求要限制在以下。
 加大功率可参考300MHZz的移动电台图纸。

各位大虾,谁有D-60的发射三极管,我急需2个,请与电话13209318434或09313879398联系
本人是1417应用者,希望有朋友一起探讨!
这位大侠,请问如何才能增加1417的发射距离呢?谢了!
Re:小调频发射器电路 这些电路都很一般,怎么就没看到用晶振稳频的呢?文字

bh1417bh1417加一个高频功放就能发射很远,本人也爱好,但在重庆不知在那

1、 本站不保证以上观点正确,就算是本站原创作品,本站也不保证内容正确。
2、如果您拥有本文版权,并且不想在本站转载,请书面通知本站立即删除并且向您公开道歉! 以上可能是本站收集或者转载的文章,本站可能没有文章中的元件或产品,如果您需要类似的商品请 点这里查看商品列表!
本站协议 | 版权信息 |  关于我们 |  本站地图 |  营业执照 |  发票说明 |  付款方式 |  联系方式
深圳市宝安区西乡五壹电子商行——粤ICP备16073394号-1;地址:深圳西乡河西四坊183号;邮编:518102
E-mail:51dz$163.com($改为@);Tel:(0755)27947428
工作时间:9:30-12:00和13:30-17:30和18:30-20:30,无人接听时可以再打手机13537585389